|
|||||||||||||||||||||||||||||||||||||
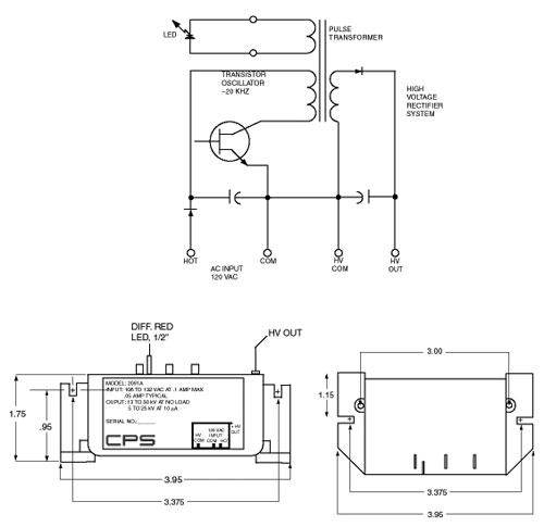
MODEL 2091A |
FEATURES |
||||||||||||||||||||||||||||||||||||
![]() |
Single output unipolar electrostatic high voltage power supply: ±25 kV @ 600 μA
|
||||||||||||||||||||||||||||||||||||
|
DESCRIPTION Model 2091A is an obsolete product and is no longer manufactured. Product information is shown here for the benefit of customers who are still using it.
The Model 2091A unregulated solid state power supply is designed for ionizers, medium duty electronic air cleaners, and laser start-up EOS/ESD antistatic equipment. The 2091A is available with either positive or negative output. Standard 2091 units are 6 kVDC, 12 kVDC, or 25 kVDC output; other output voltages are available. Call CPS for further information regarding customization options for the 2091 Series. SPECIFICATIONS
|
||||||||||||||||||||||||||||||||||||
| CPS | 7313 SW Tech Center Drive | Tigard, OR 97223 | 503.684.8026 | f: 503.684.8164 | E-mail us | |||||||||||||||||||||||||||||||||||||


